PAPER INDUSTRY
" continuous innovation, excellent quality; Continuous improvement, customer satisfaction. "
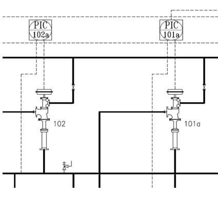
STEC QCS DILUTION VALVE AND ACTUATOR
DATE:2018-04-23    Check the number:1842
TBrowse the shop name
big In the small
Share the:

• Each banner packet is automatically tracked from the center to the start of its trimming.
• Banner control accuracy up to 0.1 g/m2
• Smart Mapping automatically tracks every banner data



Improving Quality/Improving Production/Reducing Energy Consumption


Heat pump energy supply system for three sections (adjustable heat pump)
--Dryer condensate drains smoothly and dryer heat transfer intensity increases
--According to the characteristics of different paper machines, different new steam pressures and

specially designed heat pumps make them operate efficiently.
--The nozzles and other important components are made of special carbides, which are resistant

to wear and erosion.
--The characteristics of the drying process of the web are closely combined with the strict design

of the steam condensate system.
--The adjustable heat pump design uses 7 specialized new technologies.
--The specially designed adjustable heat pump can be specially designed for various pressure grade

steam, which can ensure the high efficiency of heat pump operation.




In the previous:MEASUREMENTSYSTEMWITHANEWTERAHERTZ
The next article:STECQCSSENSORS
Returns a list of